Koło zębate łańcuchowe to jeden z kluczowych elementów układów napędowych, od którego zależy precyzja i płynność pracy maszyn. Właściwie dobrane koła łańcuchowe zapewniają stabilne przenoszenie momentu obrotowego i niezawodność w każdych warunkach. Dowiedz się, jak wybrać model dopasowany do Twoich potrzeb i co sprawia, że ten detal ma tak duże znaczenie dla całego systemu.

Nasze wieloletnie doświadczenie oraz dbałość o detale sprawiają, że z oferty przygotowanej przez Zakład Mechaniki Maszyn Borkowscy Sp. J. chętnie korzystają fachowcy ceniący sobie solidne oraz trwałe rozwiązania.
Dostępne koła łańcuchowe, to niezbędny element konstrukcyjny wielu mechanizmów. Występują w różnych podziałach, co znacznie ułatwia dobranie odpowiedniego modelu do projektowanego systemu. Najczęściej stosowanym podziałem jest podział calowy.
Nasza firma specjalizuje się w wykonywaniu kół łańcuchowych w szerokim zakresie podziałów calowych dla różnych rodzajów średnicy rolki. Posiadamy specjalne maszyny oraz narzędzia, które umożliwiają nam szybkie i sprawne nacinanie obrabianych elementów według dostarczonej dokumentacji technicznej lub – co również cieszy się popularnością, na podstawie zużytego już modelu przekazanego na wzór.
Elementy te stanowią kluczową część przekładni, w której współpraca z ogniwami łańcuchów umożliwia przeniesienie napędu między wałami. Koła łańcuchowe są produkowane zgodnie z normami ISO, co gwarantuje ich trwałość i precyzyjne dopasowanie do innych komponentów układu. Występują w różnych wersjach – tarczowych, z piastą oraz jako modele jedno-, dwu- i trzyrzędowe, co ułatwia dobór odpowiedniego rozwiązania do konkretnej aplikacji.
W przemyśle maszynowym oraz motoryzacyjnym koła zębate przenoszą moment obrotowy w silnikach, przekładniach i systemach rozrządu. Ich odporność na ścieranie oraz wysoka jakość wykonania zapewniają stabilność pracy nawet przy dużych prędkościach i obciążeniach. W przemyśle spożywczym takie produkty są stosowane w liniach transportowych i urządzeniach do pakowania, gdzie liczy się odporność na wilgoć i łatwe utrzymanie czystości.
W energetyce, budownictwie czy rolnictwie z kolei wykorzystuje się je w dźwigach, generatorach i maszynach rolniczych, gdzie niezawodność i wytrzymałość są kluczowe dla ciągłości pracy.
Koła zębate łańcuchowe występują w wielu wariantach konstrukcyjnych, różniących się liczbą zębów, podziałką i średnicą wieńca. W zależności od projektu koło łańcuchowe może pełnić funkcję czynną lub bierną, a w wersjach przemysłowych często wyposażane jest w piastę, która ułatwia montaż i zwiększa stabilność połączenia. Jak wspominaliśmy nieco wcześniej, dostępne są modele jedno-, dwu- i trzyrzędowe – dobór odpowiedniego zależy od wymaganej siły przenoszenia i charakteru pracy napędu.
Odpowiednia konfiguracja sprawia, że przekładnia działa płynnie, bez luzów i strat momentu obrotowego. Co więcej, dzięki hartowaniu indukcyjnemu wieńca, uzyskuje się większą odporność na ścieranie i odkształcenia, co znacząco wydłuża żywotność części. W ZMM Borkowscy oferowane produkty powstają z zachowaniem ścisłych tolerancji i zgodnie z dokumentacją techniczną lub na podstawie zużytych wzorców dostarczonych przez klienta.
Nasze doświadczenie pozwala również projektować komponenty jak m.in. przekładnie zębate oraz przekładnie planetarne, dzięki czemu dostarczamy kompletne rozwiązania napędowe dopasowane do indywidualnych potrzeb i bez względu na warunki eksploatacji.
Trwałość i niezawodność tych elementów zależą przede wszystkim od materiału, z którego zostały wykonane. Właściwy dobór surowca pozwala uzyskać odpowiednią twardość zębów, odporność na zużycie i zdolność do przenoszenia dużych obciążeń. W praktyce stosuje się kilka głównych kategorii materiałów, które różnią się parametrami technicznymi i przeznaczeniem:
Dzięki różnorodności dostępnych materiałów na rynku możliwe jest dobranie koła łańcuchowego idealnie dopasowanego do warunków pracy i wymagań technicznych danego mechanizmu.
Dobór koła zębatego łańcuchowego wymaga analizy kilku kluczowych parametrów. Najważniejszym jest rozmiar i liczba zębów, które muszą odpowiadać typowi używanego łańcucha oraz przełożeniu w danej maszynie. Istotna jest również pozycja koła względem pozostałych elementów napędu, jej niewłaściwe ustawienie może prowadzić do nierównomiernego zużycia i spadku sprawności układu.
Warto zwrócić uwagę na dopuszczalne obciążenia i warunki pracy, aby zapewnić odpowiednią trwałość komponentu. Koło powinno być też kompatybilne z wałkiem napędowym oraz innymi komponentami przekładni. Świadomy wybór pozwala zwiększyć żywotność całego mechanizmu i utrzymać jego wydajność nawet przy dużych prędkościach obrotowych.
W naszej ofercie znajdą Państwo szeroki wybór kół łańcuchowych wykonanych z najwyższej jakości materiałów – w tym stali nierdzewnej i stopowej. Produkujemy elementy w różnych podziałach calowych i średnicach rolek, a precyzyjne nacinanie realizujemy na nowoczesnych obrabiarkach CNC. Każde koło powstaje według dokumentacji technicznej lub wzoru dostarczonego przez klienta, co gwarantuje idealne dopasowanie do konkretnego układu napędowego.
ZMM Borkowscy to producent, któremu warto zaufać – doświadczenie, dokładność i nowoczesny park maszynowy sprawiają, że nasze rozwiązania wybierają firmy z całego kraju. Zachęcamy do sprawdzenia naszej oferty! Nasz sklepie online to gwarancja jakości i niezawodności na długie lata. Ponadto nasi specjaliści pomogą Państwu dobrać idealne rozwiązanie do potrzeb konkretnej maszyny.
Dołącz do grona zadowolonych firm, które stawiają na trwałość, precyzję i technologię od ZMM Borkowscy.
Zachęcamy do sprawdzenia innych produktów:


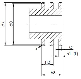
| Koła łańcuchowe 3/8 x 7/32" |
| ISO 06B-1 | ||
| ISO 06B-2 | ||
| ISO 06B-3 | ||
| Podziałka 9,525mm | ||
| Rolka fi 6,35 | ||
| r - 10,0 | ||
| C - 1,0 | ||
| h1 - 5,3 | ||
| L - 5,2 | ||
| h2 - 15,4 | ||
| h3 - 25,6 | ||
| Z | dk | d0 |
| z-8 | 28,0 | 24,89 |
| z-9 | 31,0 | 27,85 |
| z-10 | 34,0 | 30,82 |
| z-11 | 37,0 | 33,80 |
| z-12 | 40,0 | 36,80 |
| z-13 | 43,0 | 39,80 |
| z-14 | 46,3 | 42,80 |
| z-15 | 49,3 | 45,81 |
| z-16 | 52,3 | 48,82 |
| z-17 | 55,3 | 51,83 |
| z-18 | 58,3 | 54,85 |
| z-19 | 61,3 | 57,87 |
| z-20 | 64,3 | 60,89 |
| z-21 | 68,0 | 63,91 |
| z-22 | 71,0 | 66,93 |
| z-23 | 73,5 | 69,95 |
| z-24 | 77,0 | 72,97 |
| z-25 | 80,0 | 76,00 |
| z-26 | 83,0 | 79,02 |
| z-27 | 86,0 | 82,04 |
| z-28 | 89,0 | 85,07 |
| z-29 | 92,0 | 88,09 |
| z-30 | 94,7 | 91,12 |
| z-31 | 98,3 | 94,15 |
| z-32 | 101,3 | 97,17 |
| z-33 | 104,3 | 100,20 |
| z-34 | 107,3 | 103,23 |
| z-35 | 110,4 | 106,26 |
| z-36 | 113,4 | 109,29 |
| z-37 | 116,4 | 112,32 |
| z-38 | 119,5 | 115,34 |
| z-39 | 122,5 | 118,37 |
| z-40 | 125,5 | 121,40 |
| Koła łańcuchowe 5/8 x 3/8" |
| ISO 10B-1 | ||
| ISO 10B-2 | ||
| ISO 10B-3 | ||
| Podziałka 15,875mm | ||
| Rolka fi 10,160 | ||
| r - 16,0 | ||
| C - 1,6 | ||
| h1 - 9,1 | ||
| L - 9,0 | ||
| h2 - 25,5 | ||
| h3 - 42,1 | ||
| Z | dk | d0 |
| z-38 | 199,2 | 192,24 |
| z-45 | 235,0 | 227,58 |
| z-57 | 296,0 | 288,18 |
| z-76 | 329,1 | 384,16 |
| z-95 | 488,5 | 480,14 |
| z-114 | 584,1 | 576,13 |
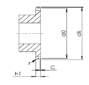
| Koła łańcuchowe 1/4 x 1/8" |
| ISO 04C-1 | ||
| Podziałka 6,35mm | ||
| Rolka fi 3,30 | ||
| r - 6,4 | ||
| C - 0,7 | ||
| h1 - 2,9 | ||
| Z | dk | d0 |
| z-8 | 19,4 | 16,58 |
| z-9 | 21,4 | 18,56 |
| z-10 | 23,3 | 20,55 |
| z-11 | 25,3 | 22,54 |
| z-12 | 27,3 | 24,53 |
| z-13 | 29,3 | 26,53 |
| z-14 | 31,3 | 28,53 |
| z-15 | 33,3 | 30,55 |
| z-16 | 35,3 | 32,55 |
| z-17 | 37,3 | 34,55 |
| z-18 | 39,4 | 36,56 |
| z-19 | 41,4 | 38,58 |
| z-20 | 43,4 | 40,58 |
| z-21 | 45,4 | 42,60 |
| z-22 | 47,4 | 44,62 |
| z-23 | 49,4 | 46,63 |
| z-24 | 51,4 | 48,64 |
| z-25 | 53,3 | 50,66 |
| z-26 | 55,5 | 52,67 |
| z-27 | 57,5 | 54,69 |
| z-28 | 59,5 | 56,71 |
| z-29 | 61,5 | 58,73 |
| z-30 | 63,6 | 60,75 |
| z-31 | 65,6 | 62,76 |
| z-32 | 67,6 | 64,78 |
| z-33 | 69,6 | 66,80 |
| z-34 | 71,6 | 68,82 |
| z-35 | 73,6 | 70,84 |
| z-36 | 75,6 | 72,85 |
| z-37 | 77,7 | 74,87 |
| z-38 | 79,7 | 76,89 |
| z-39 | 81,7 | 78,91 |
| z-40 | 83,7 | 80,93 |